Dzisiaj jest 18 stycznia 2026, 12:38


Strefa czasowa UTC+1godz.




Nowy temat Odpowiedz w temacie  [ Posty: 3 ] 
Autor Wiadomość
Post: 22 kwietnia 2025, 22:18 
Bywalec Nysa/Żuk Service
Awatar użytkownika

Rejestracja: 14 września 2016, 17:54
Posty: 67
Lokalizacja: Chojnów (DLE)
Pojazd: FS Lublin 3352 (1996)
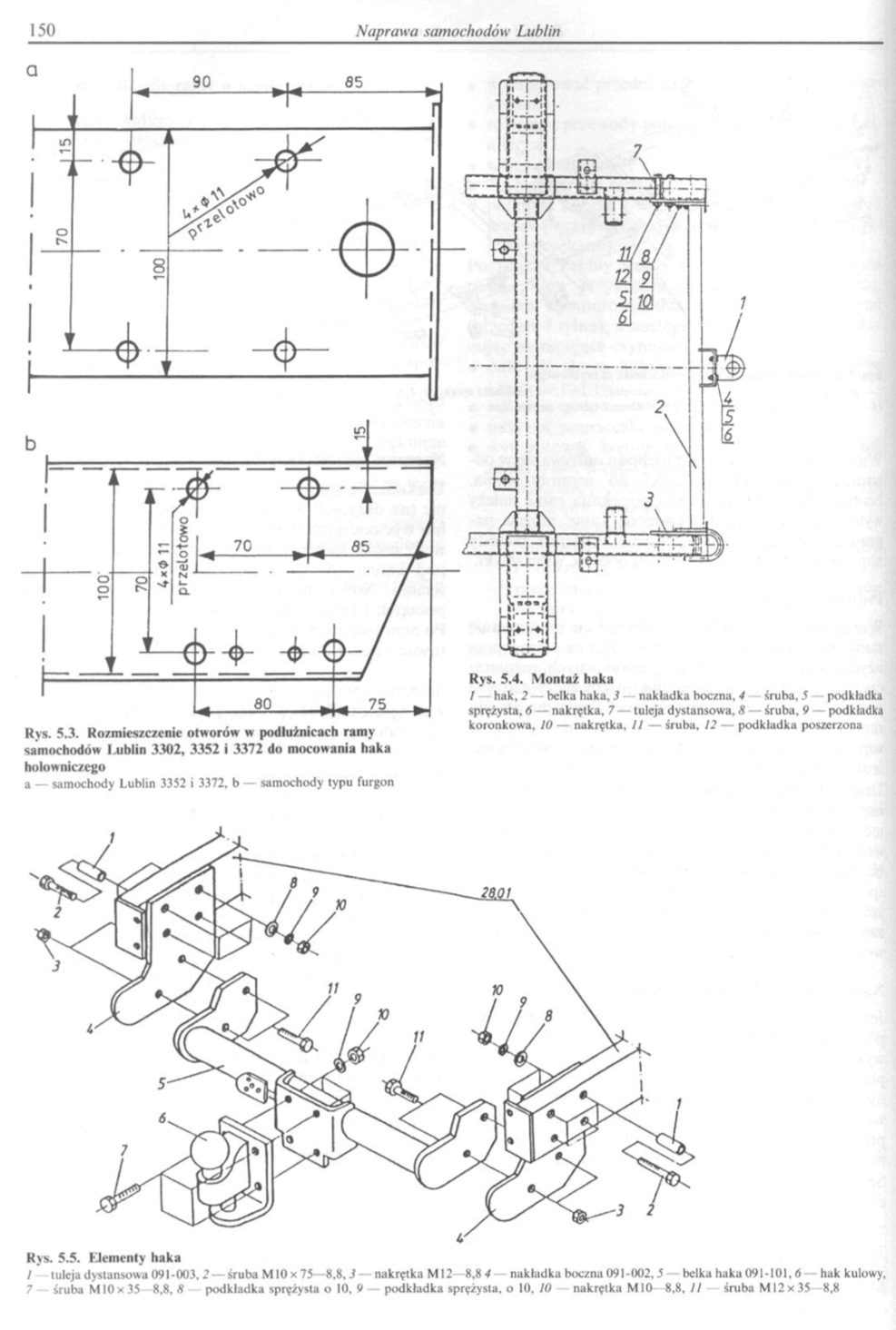
W książce "Naprawa samochodów Lublin" jest wszystko pięknie rozpisane, ale pojawia się tam także zastrzeżenie, że hak może być montowany od dnia 1 lipca 1997. Zastanawiam się z czego to wynika. Czy zostało coś zmienione? A może tylko ogarnięcie tej kwestii ciągnęło się tak, jak składanego oparcia kanapy w Polonezie?

Intryguje mnie to tym bardziej, że mam egzemplarz z 1995 i nie wiem czy ryzykuję rozerwaniem auta na pół, czy jedynie opluciem echa powolnej biurokracji lat '90.


Na górę
Offline Wyświetl profil  
 
Post: 24 kwietnia 2025, 09:40 
Administrator Nysa Service
Awatar użytkownika

Rejestracja: 12 sierpnia 2007, 13:53
Posty: 5104
Lokalizacja: Jelenia Góra
Pojazd: Nysa 522R 1991
Przypuszczam, że może od tej daty rama miała jakieś otwory pod montaż haka i/lub wyprowadzenie z wiązki pod instalację do wtyczki.

_________________
NYSA- to jest to... ;)
>Pracownia Renowacji Zabytkowych Motocykli< - Najlepsza robota renowacyjna, polecam!


Na górę
Offline Wyświetl profil  
 
Post: 25 kwietnia 2025, 01:44 
Bywalec Nysa/Żuk Service
Awatar użytkownika

Rejestracja: 14 września 2016, 17:54
Posty: 67
Lokalizacja: Chojnów (DLE)
Pojazd: FS Lublin 3352 (1996)
Otworów z pewnością nie miała, bo pojawia się szeroki opis ich wykonania. Nie wiem jak wyprowadzenia z instalacji, ale ich dorobienie w porównaniu do wiercenia w ramie jest wręcz relaksujące.


Załączniki:
Komentarz: Opis
20250425_023357.jpg
20250425_023357.jpg [ 240.68 KiB | Przeglądany 6859 razy ]
Komentarz: Wymiary
20250425_023427.jpg
20250425_023427.jpg [ 231.86 KiB | Przeglądany 6859 razy ]
Na górę
Offline Wyświetl profil  
 
Wyświetl posty nie starsze niż:  Sortuj wg  
Nowy temat Odpowiedz w temacie  [ Posty: 3 ] 
Moderatorzy: monterr07, Dziwny Mag

Strefa czasowa UTC+1godz.


Kto jest online

Użytkownicy przeglądający to forum: Obecnie na forum nie ma żadnego zarejestrowanego użytkownika i 4 gości


Nie możesz tworzyć nowych tematów
Nie możesz odpowiadać w tematach
Nie możesz zmieniać swoich postów
Nie możesz usuwać swoich postów
Nie możesz dodawać załączników

Szukaj:
Przejdź do:  

Technologię dostarcza phpBB® Forum Software © phpBB Group
Theme created StylerBB.net